/ 뉴스

뉴스

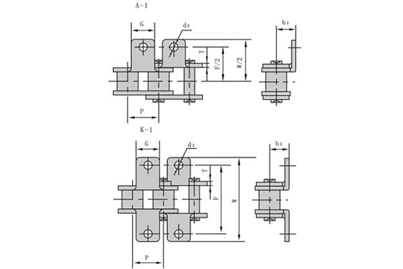
전송 체인의 설계 철학 및 작업 흐름

전송 체인의 설계 철학 및 작업 흐름

전송 체인 , 일반적인 전달력 장치로서 쌍곡선 호의 "체인" 설계를 통해 마찰력을 줄입니다. 동력이 상대적으로 크고 주행 속도가 상대적으로 느린 장소에 사용됩니다. 탱크, 공압 압축기 등과 같은 벨트 전동에 비해 분명한 장점이 있지만 체인이 ...

롤러 체인은 어떻게 정전기 발생을 줄입니까?

롤러 체인은 어떻게 정전기 발생을 줄입니까?

롤러 체인 탱크 체인처럼 보이며 많은 유닛 링크로 구성됩니다. 링크는 자유롭게 회전할 수 있습니다. 동일한 일련의 플레이트 체인의 내부 높이, 외부 높이 및 피치는 동일합니다. 견인 체인의 내부 폭과 굽힘 반경 R은 다르게 선택할 수 있습니다...

롤러 체인이 부식되는 이유를 간략하게 설명하십시오.

롤러 체인이 부식되는 이유를 간략하게 설명하십시오.

회사의 근무환경으로 인해 롤러 체인 , 자연적으로 약간의 부식이 있을 수 있는데, 롤러 체인이 부식되는 주요 원인은 무엇이며 주로 다음 사항을 포함합니다. 롤러 체인의 생산 과정에서 가공 공정의 체인 부품과 설치된 제품 체인...

드라이브 체인 제조업체는 체인 운송 시간이 편향되는 이유를 소개합니다.

드라이브 체인 제조업체는 체인 운송 시간이 편향되는 이유를 소개합니다.

체인 전송 및 운송에는 천천히 오류가 발생할 수 있습니다. 그다지 크지는 않지만 시간이 누적되면 전송에 약간의 오류가 있을 수 있습니다. 이 오류는 어떻게 발생합니까? 는 드라이브 체인 제조업체가 아래에서 설명할 것입니다. 체인 ...

전송 체인의 오작동을 효과적으로 방지하는 방법

전송 체인의 오작동을 효과적으로 방지하는 방법

생산과정에서는 전송 체인 , 체인이 실패하면 생산자는 특정 실패 형태에 따라 가장 적합한 솔루션을 찾아야 합니다. 다음으로 전송 체인 제조업체는 이 지식을 간략하게 소개합니다. 1. 전면 및 후면 샤프트의 평행도 및 스프로킷의...

컨베이어 체인의 일반적인 결함은 무엇입니까

컨베이어 체인의 일반적인 결함은 무엇입니까

컨베이어 체인 식품 운반 기계, 비료 운반 장비, 광산 기계 체인 등과 같은 산업 체인에 널리 사용됩니다. 컨베이어 체인은 컨베이어 체인을 사용하는 동안 마모가 자주 발생합니다. 일반적으로 체인이 마모되는 경우가 많습니다. 마모는 ...

리프 체인 유지 관리 시 주의 사항

리프 체인 유지 관리 시 주의 사항

언제 리프 체인 체인이 활성화되면 체인이 정상적으로 작동하는지, 톱 체인의 장력이 정상적인지 확인해야 합니다. 시동 중 위험을 방지하기 위해 체인이 제동될 수 있도록 시동 전에 체인 브레이크를 닫는 것을 잊지 마십시오. 그러나 작업 전에 ...

산업용 스프로킷을 유지하는 방법

산업용 스프로킷을 유지하는 방법

유지관리에 있어서 산업용 스프로킷 , 스프로킷의 톱니 모양에 주의하세요. 스프로킷의 톱니 모양은 체인이 원활하고 에너지 절약적으로 메시에 들어가고 나가도록 보장하고 맞물림 중 체인 링크의 충격 및 접촉 응력을 최소화하고 가공이 용이해야 ...

롤러 체인 링크의 개수는 짝수여야 합니다.

롤러 체인 링크의 개수는 짝수여야 합니다.

롤러 체인 체인 길이는 링크 수로 표현됩니다. 체인 링크의 수는 체인이 링을 형성할 때 외부 체인 플레이트와 내부 체인 플레이트가 연결되고 스프링 클립 또는 분할 핀으로 조인트를 잠글 수 있도록 짝수인 것이 바람직합니다. 롤러 체인 링크 수...

산업용 스프로킷은 솔리드 또는 스포크 기어입니다.

산업용 스프로킷은 솔리드 또는 스포크 기어입니다.

산업용 스프로킷 링크체인이나 케이블에 정확한 피치의 블록을 맞물리는 데 사용되는 톱니형 버클 톱니가 있는 바퀴를 말합니다. 산업용 스프로킷은 (롤러) 체인과 맞물려 동작을 전달하는 솔리드 또는 스포크 기어입니다. 그것은 화...

서비스 수명을 연장하기 위해 산업 체인을 유지하는 방법

서비스 수명을 연장하기 위해 산업 체인을 유지하는 방법

산업 체인 장기간 사용하면 느슨해지거나 연결이 끊길 수도 있는데, 이러한 문제를 방지하는 방법은 무엇입니까? 먼저 체인 장력을 개선해야 합니다. 마모와 견고함을 줄이기 위해 기어의 가공 정확도와 작업 표면의 경도를 향상시킬 수 있는...

오토바이 체인을 교체하는 단계

오토바이 체인을 교체하는 단계

때 오토바이 체인 체인과 스프라켓을 함께 교체해야 한다는 점에 유의하세요. 새 체인은 기존 스프라켓의 체인 노화를 가속화합니다. 새 스프라켓도 기존 체인과 동일합니다. 교체가 복잡하지는 않지만 휠 브래킷, 뒷바퀴와 스프라켓을 제거하기 위한...