/ 뉴스

뉴스

자동 체인 유지 관리 기술

자동 체인 유지 관리 기술

체인은 일반적으로 금속 링크 또는 링으로 주로 기계적 전달 및 견인에 사용됩니다. 유지관리 방법을 살펴보겠습니다. 사일런트 체인 . 1. 스프라켓은 기울어지거나 흔들리지 않고 샤프트에 설치되어야 합니다. 동일한 변속기 어...

오토바이 체인 손상의 일반적인 원인은 무엇입니까

오토바이 체인 손상의 일반적인 원인은 무엇입니까

오토바이 체인 , 일반적인 전달력 장치로서 쌍곡선 호 "체인" 설계를 사용하여 마찰을 줄입니다. 동력이 상대적으로 크고 주행 속도가 상대적으로 느린 장소에 사용됩니다. 벨트 전동에 비해 분명한 장점이 있습니다. 오토바이 체인 손상의 일반적인 원인을 살펴...

롤러 체인의 부품은 무엇입니까

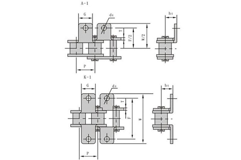
롤러 체인의 부품은 무엇입니까

의 부품은 무엇입니까? 롤러 체인 ? 1. 핀 샤프트: 체인 힌지의 회전축으로 사용되는 가느다란 원통형 요소입니다. 2. 솔리드 핀(Solid Pin) : 모양이 솔리드 원통형인 핀. ...

드라이브 체인 제조업체는 체인과 스프로킷의 관계를 소개합니다.

드라이브 체인 제조업체는 체인과 스프로킷의 관계를 소개합니다.

드라이브 체인 제조업체는 스프로킷이 체인으로 구동되며 모델 단위는 일반적으로 영어라고 소개했습니다. 단일 행, 이중 행, 다중 행이 있습니다. 저속, 고하중, 고온 조건에 적합합니다. 기어에 비해 두 축의 중심이 멀리 떨어진 곳에 사용할 수 ...

농업 체인 제조업체는 체인 준비를 소개합니다.

농업 체인 제조업체는 체인 준비를 소개합니다.

농업 체인 제조업체에서는 체인을 시작하기 전에 체인에 나사가 있는지, 구조 부품이 느슨한지 확인할 준비를 해야 한다고 소개합니다. 운송과 관련이 없는 기타 재료는 시작하기 전에 제거해야 합니다. 체인의 지지대에 비추어 조정하십시오. ...

전송 체인 제조업체는 체인을 유지 관리하는 방법을 소개합니다.

전송 체인 제조업체는 체인을 유지 관리하는 방법을 소개합니다.

작동과정을 해결하기 위해 체인에 방청처리를 하는 경우 먼저 표면의 산세 페이스트를 닦아내고 코팅의 두께가 0.5~3mm가 되도록 해야 하며 일반적인 반응속도는 0°C에서 3~10분 이상이어야 합니다. 산화피막이 얇은 장소에서 사용할 경우 성시간을 적절하게 연...

리프 체인에 일반적인 편차 문제가 있는 이유

리프 체인에 일반적인 편차 문제가 있는 이유

스테인레스 스틸 체인 분야의 지속적인 개발 추세에 따라 스테인레스 스틸 체인 제품도 널리 사용되고 있습니다. 그 중 리프 체인(리프 체인)도 널리 사용되지만 체인 이탈이 발생하기 쉽습니다. 사용 중 이탈 현상을 해결하는 방법에 대해 논의해 보겠습니다. ...

산업 체인의 일일 유지 관리 세부 사항

산업 체인의 일일 유지 관리 세부 사항

산업 체인 이다 장점 및 일일 유지 관리 세부 정보: 1. 드라이브 체인이 방향을 벗어나면 피동 샤프트 한쪽 끝의 장력 샤프트를 조정하고 천천히 조정하십시오. 급하게 조정하지 마십시오. 체인 가장자리가...

사일런트 체인 제조업체는 스테인레스 스틸 스프로킷의 오류를 올바르게 처리하는 방법을 소개합니다.

사일런트 체인 제조업체는 스테인레스 스틸 스프로킷의 오류를 올바르게 처리하는 방법을 소개합니다.

사일런트 체인 제조사에서는 스테인레스 스틸 스프로킷의 오류를 올바르게 처리하는 방법을 소개합니다. 스테인레스 스틸 스프로킷 드럼의 수평 움직임과 스테인레스 스틸 스프로킷의 수직 움직임을 관찰하십시오. 스테인레스 스...

오토바이 체인 제조업체는 스프로킷의 일반적인 문제 해결 방법을 소개합니다.

오토바이 체인 제조업체는 스프로킷의 일반적인 문제 해결 방법을 소개합니다.

오토바이 체인 제조업체는 스프로킷의 일반적인 문제 해결 방법을 소개합니다. 1. 스테인레스 스틸 스프로킷의 지지력이 고르지 않은 이유. 스테인레스 스틸 스프로킷의 인장 기계의 기계 장비가 무시되어...

롤러 체인 제조업체에서는 스프로킷의 오류를 올바르게 처리하는 방법을 소개합니다.

롤러 체인 제조업체에서는 스프로킷의 오류를 올바르게 처리하는 방법을 소개합니다.

스테인레스 스틸 스프로킷에 오류가 있을 때, 우리는 그것을 해결하기 위해 서두르지 말아야 합니다. 따라해보자 롤러 체인 제조업체는 스프로킷의 오류를 올바르게 처리합니다. 스테인레스 스틸 스프로킷 드럼의 수평 움직임과 스테...

드라이브 체인 제조업체는 손상된 스프로킷 베어링을 신속하게 제거하는 방법을 소개합니다.

드라이브 체인 제조업체는 손상된 스프로킷 베어링을 신속하게 제거하는 방법을 소개합니다.

드라이브 체인 제조업체는 손상된 스프로킷 베어링을 신속하게 제거하는 방법을 소개했습니다. 1. 롤러 베어링과 롤링 베어링의 엔드 캡과 나사 캡을 점차적으로 제거합니다. 2. 펄스 압력 유압 잭 또는 구리 ...